协会官方微信

首页  >>  通知公告  >>  正文

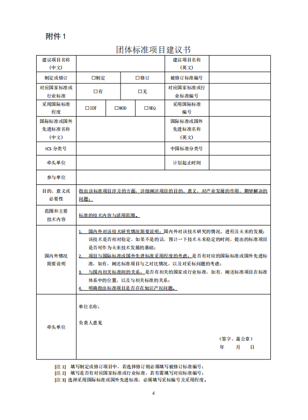
关于征集2026年度团体标准项目提案的通知

发布时间:2026-3-5     来源:中国仪器仪表行业协会    编辑:衡盛楠    审核:张经纬 王静

中国仪器仪表行业协会版权所有   |   京ICP备13023518号-1   |   京公网安备 110102003807
地址:北京市西城区百万庄大街16号1号楼6层   |   邮编:100037   |   电话:010-68596456 / 68596458
战略合作伙伴、技术支持:中国机械工业联合会机经网(MEI)